Skip to content
mo-cars.sk
Diagnostika a opravy motorových vozidiel
Menu
Úvod / O nás
Mechanické opravy
Sériová diagnostika
Paralelná diagnostika
Cenník
Kontakt
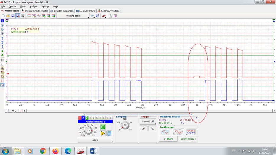
Fiat JTD – test relé žhavenia